發布日期2018.04.19 ?|
作者:
來源:
意大利OMAC蠕動泵FMP系列
意大利OMAC蠕動泵FMP系列主要型號:
FMP-30、FMP-40 、FMP-50 、FMP-60 、FMP-70
意大利OMAC蠕動泵FMP系列主要特點:
鑄鐵體,由兩個安裝在軸承上的滾輪組成的加壓元件。
并固定在一個堅固的轉子上,運轉中輥子的厚度的工作壓力。
壓力8巴。
意大利OMAC蠕動泵FMP系列配件
管道破裂檢測傳感器
液壓氣動或靜態補償裝置
連接TRI-CLAMP,DIN 11851,SMS,NPT in acc。INOX
提供PVC或PVDF連接
脈沖計數傳感器用于計量
意大利OMAC蠕動泵FMP系列參數
| 型號 | FMP-30 | FMP-40 | FMP-50 | FMP-60 | FMP-70 |
| 體積流量 | 0.433 l/giro | 0.75 l/giro | 1.34 l/giro | 3.161 l/giro | 6.72 l/giro |
| 連接 | 1 1/4” | 1 1/2” | 1 1/2” | 2” | 2 1/2” |
| 壓力 | 8 bar | 8 bar | 8 bar | 2 bar | 8 bar |
| 壓緊系統 | Rulli | Rulli | Rulli | Rulli | Rulli |
| 可用橡膠軟管 | NR NBR EPDM HYPALON NR-A NBR-A |
NR NBR EPDM HYPALON NR-A NBR-A |
NR NBR EPDM HYPALON NR-A NBR-A |
NR NBR EPDM HYPALON NR-A NBR-A |
NR NBR EPDM HYPALON NR-A NBR-A |
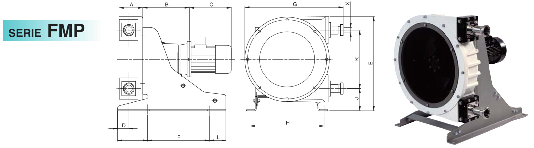
意大利OMAC蠕動泵FMP系列尺寸

| 型號 | A | B | C | D | E | F | G | H | I | J | K | L | X |
| FMP 30 | 128 | - | - | 60 | 425 | 305 | 471 | 305 | 160 | 100 | 262 | 75 | Filetto maschio 1" 1/4 Gas |
| FMP 40 | 135 | - | - | 613 | 345 | 552 | 385 | 170 | 130 | 330 | 95 | Filetto maschio 1" 1/2 Gas | |
| FMP 50 | 151 | - | - | 79 | 645 | 415 | 633 | 453 | 200 | 159 | 412 | 115 | Flangia DIN 2576 DN 40PN/16 |
| FMP 60 | 215 | - | - | 111 | 805 | 740 | 735 | 500 | 25 | 210 | 510 | 25 | Flangia DIN 2576 DN 50PN/10 |
| FMP 70 | 215 | - | - | 250 | 1124 | 1065 | 1100 | 790 | 40 | 240 | 784 | 40 | Flangia DIN 2576 DN 65PN/10 |
上海川奇優勢代理意大利OMAC蠕動泵FMP系列及其他系列產品,正規代理,品質保證?。?a href="http://m.shboyanchao.cn/guanyu/zhengshu/" target="_blank">查看OAMC代理證書)